Sign Up
EU Cyber Resilience Act (CRA) — First Deadline September 2026
If you sell LabVIEW-based software and systems in the EU, please be aware that new CRA regulations may require you to implement security vulnerability reporting starting September 11, 2026. The VIPM Team has prepared guides to help you understand how this applies to your software applications and published packages, since it's important you understand these regulatory requirements (click the Learn More link to read these guides). Thank you for your help in keeping security front-and-center within the LabVIEW community.
Learn more

SQLite Library by JDP Science - Toolkit for LabVIEW Download

SQLite database-in-a-file for LabVIEW

D Discussion Watch * 31 ↓38,732
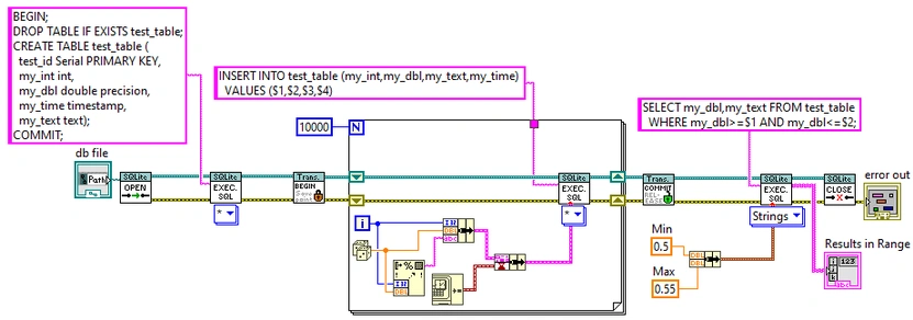
 screenshot
Version1.16.0.115
ReleasedOct 14, 2024
Publisher JDP Science
License BSD
LabVIEW VersionLabVIEW>=13.0
Operating System Windows, Mac, and Linux
Used By hse_lib_hse_application_template_wizard   neosoft_technologies_lib_neosoft_dhcp_server   illuminatedg_lib_ig_config   nevstop_3rdparty_dependencies   tsc_lib_tsc_event_logger_sql   hse_lib_hse_db   cyth_logger_sqlite  
Project links Homepage   Documentation   Repository   Discussion

Description

SQLite3 is a very light-weight, server-less, database-in-a-file library. See www.SQLite.org. This package is a wrapper of the SQLite3 C library and follows it closely.

Note: it may be necessary that VI Package Manager be "Run as administrator" in order to install this package.

Release Notes

1.16.0.115 (Oct 14, 2024)

Includes SQLite 3.46.1 (See https://sqlite.org/changes.html)
--> includes JSONB binary JSON (https://www.sqlite.org/json1.html#jsonbx)
Issue 30 fix: Empty Strings being saved as Null
Issue 31 fix: "Text Encoding" typedef file missing the .ctl extension


Download Package

Versions
All Contributors

  Post an Idea   Post a Resource

Recent Posts

SQLite and PPL
Hello ! I tried to make a PPL with some VIs that uses the SQLite Library (that I greatly appreci…

by thomas zilliox, 2 years, 3 months ago, 1 , 0
suggestion
User Group for JDP Science Tools at NI.com
A User Group for questions and discussions about packages by JDP Science, such as SQLite Library, J…

by James Powell, 5 years, 8 months ago, 0 , 0
resource
Intro to SQLite in LabVIEW
Quick introduction to “SQLite Library” for LabVIEW. Support: https://lavag.org/topic/15857-cr-sqlit…

by VIPM Community, 5 years, 8 months ago, 0 , 4